您好,欢迎访问河南威斯达电气有限公司官网,如有疑问欢迎致电我们进行咨询!
YTJL-10WF-二次融合电子式组合传感器

技术参数
| 型号 | 额定电压比 - 三相相序 | 额定电压比 - 零序 | 准确级 | 额定负荷 |
|---|---|---|---|---|
| YTJL - 10WF | 10/√3kV/3.25/√3V | 10/√3kV/6.5/3V | 0.5/1 | 2MΩ |
| 型号 | 额定电流比 - 三相相序 | 额定电流比 - 零序 | 准确级 | 额定负荷 |
| YTJL - 10WF | 600A/1V(A) | 20A/0.2V(100/1A) | 0.5/5P10 | 2MΩ |
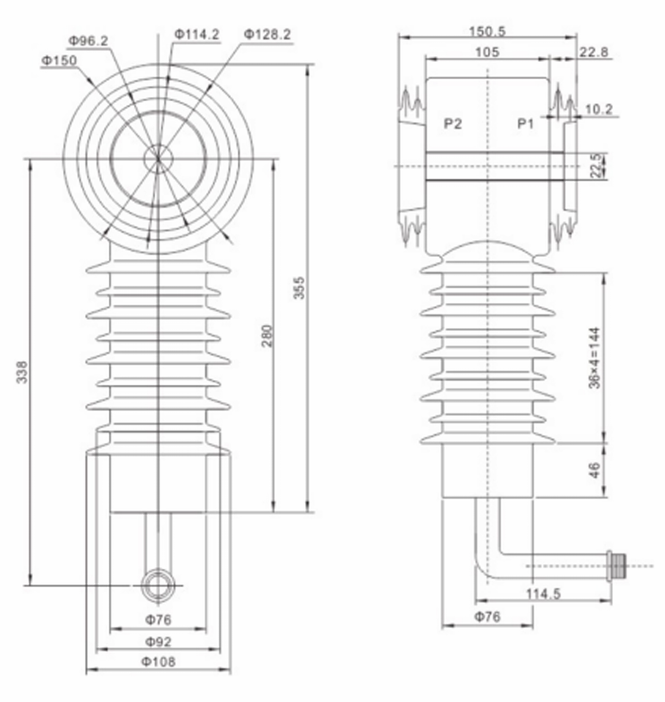
外形尺寸

HOTLINE
电话:15617263330 欢迎来电咨询
PHONE
联系人: (15617263330)
TEL
固话:0374-3567698
地址:河南省许昌市襄城县创业路一号
邮箱:hnwsddq@163.com